
电 话:0534-2713100
传 真:0534-2713110
联系人:郭经理
手 机:15505346727
邮 编:253000
地 址:德州市德城区新华工业园双一路1-15号
当前位置:首页 > 产品展示 > 液压油缸系列·QF系列大吨位千斤顶
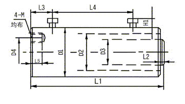
QF系列大吨位千斤顶


分离设计,由高压胶管、液压泵站、分配阀、双作用千斤顶组合成一个系统,可由一台泵站通过分配阀带动多台千斤顶。
产品介绍:QF系列大吨位千斤顶有单/双作用两种具有输出力大、重量轻、可在任意空间位置下,远距离使用的特点。配以本公司的超高压油泵可实现顶、拉、压、挤、推等多种作业,广泛应用于交通、铁路、桥梁、地铁、建筑、厂矿等各行各业

| 型号 | 推力KN | 行程 MM |
缸径D2 | 外径D1 | 杆径D3 | 安装螺径 | 最小高度L1 | 重量KG | |
|---|---|---|---|---|---|---|---|---|---|
| 孔径4M | 圆周D4 | ||||||||
| QF50-20 | 500 | 200 | Φ100 | Φ140 | Φ70 | M12 | Φ70 | 350 | 48 |
| QF100-20 | 1000 | Φ140 | Φ180 | Φ100 | M20 | Φ110 | 370 | 56 | |
| QF200-20 | 2000 | Φ200 | Φ273 | Φ140 | M24 | Φ160 | 380 | 115 | |
| QF320-20 | 3200 | Φ250 | Φ325 | Φ180 | M24 | Φ220 | 410 | 216 | |
| QF500-20 | 5000 | Φ320 | Φ426 | Φ250 | M24 | Φ330 | 460 | 359 | |
| QF630-20 | 6300 | Φ360 | Φ480 | Φ280 | M24 | Φ350 | 480 | 552 | |
| QF800-20 | 8000 | Φ400 | Φ550 | Φ320 | M24 | Φ450 | 500 | 679 | |
| QF1000-20 | 10000 | Φ450 | Φ600 | Φ360 | M24 | Φ500 | 520 | 863 | |
|
|||||||||||||||||||||||||||||||||||||||||||||||||||||||||||||||||||||||||||||||||||||||||||||||||||||||||||||||||||||||||||||||||||||||||||||||||||||||||||||||||||||||||||||||||||||||
分离设计,由高压胶管、液压泵站、分配阀、单作用千斤顶组合成一个系统,可由一台泵站通过分配阀带动多台千斤顶。
单作用详表:
|
型号 |
载荷T |
工作行程mm |
工作压力 mpa |
本体高度mm |
外径mm |
重量kg |
|
QFD140/100 |
100 |
100 |
1-63 |
252 |
180 |
41 |
|
QFD140/150 |
150 |
302 |
48 |
|||
|
QFD140/200 |
200 |
352 |
55 |
|||
|
QFD140/300 |
300 |
464 |
75 |
|||
|
QFD200/100 |
200 |
100 |
289 |
245/272 |
88 |
|
|
QFD200/150 |
150 |
339 |
101 |
|||
|
QFD200/200 |
200 |
399 |
119 |
|||
|
QFD200/300 |
300 |
499 |
145 |
|||
|
QFD250/100 |
320 |
100 |
327 |
320 |
175 |
|
|
QFD250/150 |
150 |
377 |
196 |
|||
|
QFD250/200 |
200 |
437 |
225 |
|||
|
QFD250/300 |
300 |
547 |
276 |
|||
|
QFD280/100 |
400 |
100 |
361 |
350 |
233 |
|
|
QFD280/200 |
200 |
461 |
284 |
|||
|
QFD280/300 |
300 |
561 |
331 |
|||
|
QFD320/100 |
500 |
100 |
394 |
410 |
358 |
|
|
QFD320/150 |
150 |
444 |
398 |
|||
|
QFD320/200 |
200 |
494 |
438 |
|||
|
QFD320/300 |
300 |
594 |
516 |
|||
|
QFD360/100 |
630 |
100 |
418 |
430 |
399 |
|
|
QFD360/150 |
150 |
468 |
438 |
|||
|
QFD360/200 |
200 |
518 |
476 |
|||
|
QFD360/300 |
300 |
618 |
553 |
|||
|
QFD400/100 |
800 |
100 |
430 |
500 |
581 |
|
|
QFD400/150 |
150 |
480 |
639 |
|||
|
QFD400/200 |
200 |
530 |
701 |
|||
|
QFD400/300 |
300 |
630 |
817 |
|||
|
QFD460/100 |
1000 |
100 |
440 |
600 |
856 |
|
|
QFD460/200 |
200 |
540 |
1027 |
|||
|
QFD460/300 |
300 |
640 |
1198 |
注:1.各类千斤顶数据以实际产品为准,以上为参考数据。
2.工作行程可按用户要求制作。
- 相关产品
- QF系列大吨位千斤顶
- LX螺旋千斤顶
- 相关新闻
